
智能數字壓力校驗儀
測量范圍: -100kPa~100MPa
精度等級: 0.05%、0.02%
補償溫度:(0~50)℃
通訊方式:無通訊/RS485通訊
此外,我們根據顧客的環境需求,可進行產品應用定制。
一、產品介紹
YK-120C智能數字壓力校驗儀采用高精度、低功耗大規模集成電路為核心器件,主要由高精度測量芯片、電池充電保護電路、傳感器和信號處理電路組成。該產品內置電流、電壓模塊、24V電源模塊、可方便校準壓力變送器和其他壓力儀表。
二、產品參數
產品名稱 YK-120C智能數字壓力校驗儀
量程范圍 -100kPa~100MPa(范圍內選擇量程)
精度等級 0.05%、0.02%
過載能力 1.2 倍過載
壓力類型 絕壓 表壓 密封表壓
壓力單位 MPa;bar;psi;kPa;Kgf/cm2;inHg;mmHg;inH2O
電流測量 0-24mA
電壓測量 0-10V
激勵電壓 直流 24V±2%
通訊方式 無通訊/RS485 通訊
補償溫度 (0~50)℃
相對濕度 小于<95%
大氣壓力 (-20~70)℃
顯示方式 白色背光,5 位數字顯示,帶進度條顯示
壓力連接 M20 × 1.5mm
三、產品特點
01.測量精準 性能穩定
高精度測量芯片 高穩定性強抗干擾
時漂小響應快 0.2%級、0.5%級精度可選
02.優質選材 堅固耐磨
不銹鋼全焊接 強度高堅固耐震
防腐防水 無懼惡劣工況
03.電池供電 輕松更換
微功耗電路設計 無需外接引線和電源
采用電池供電 正常使用可續航1年
四、產品細節
高清背光設計
High definition LCD display
LCD高清顯示 讀數直觀清晰
白色背光設計 便于夜間查看
多功能便捷操作
?智能單位切換 多種國際單位一鍵切換 無需人工換算
(圖片文字:MPa bar psi kPa Kgf/cm2;inHg mmHg inH2O)
?一鍵快速清零 長按ZERO鍵5秒 快速清除歷史記錄
?四位高清數顯 4位數字顯示 可保留3位小數 測量更精準



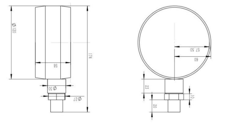
外觀與尺寸

地質監測儀表
活塞式壓力計/壓力源
- GM系列活塞式壓力計
- 臺式液體壓力源
- 臺式氣體壓力源
- 氣體活塞壓力計
- 活塞式壓力真空計
- YS改良型活塞壓力計
- 活塞式壓力計
- 電動微壓標準器
- 氣體減壓器校驗儀
- 氧氣表壓力表兩用校驗器
- 壓力表校驗器校驗儀
- 活塞壓力計數字顯示系統
- 空盒氣壓表檢定裝置
- 電動微壓源
- 全自動液體壓力源
- 管道試壓壓力天平
- 浮球壓力計
- 全自動活塞壓力計
- 便攜式液體壓力源
- 電動壓力源
液位儀表
- 80G超高溫雷達物位計
- 電廠專用四氟高頻雷達物位計
- 側裝磁翻板液位計
- 雷達水位計
- 26G油罐專用雷達液位計
- 26G強腐蝕雷達液位計
- 26G高頻雷達物位計
- 80G調頻雷達液位計
- 80G桿式射頻導納物位開關
- 液位顯示控制箱
- 投入式液位變送器
- 80G纜式射頻導納物位開關
- 桿式導波雷達
- 激光雷達料位計
- 連桿浮球液位計
- 靜壓式水準儀
- 河道浮子液位計
- 液位變送器
- 26G粉塵雷達物位計
- 26G高溫雷達物位計
密度計
- GJM-SHJ型石灰漿液在線密度計
- GJM-JJ型酒精在線密度計
- GJM-85管道密度計
- 差壓式密度計
- 分體式密度傳感器
- 濃度計
- 衛生型密度計
- 耐高溫音叉密度計
- 管道式音叉密度計
- 直管密度計
- 便捷式音叉密度計
- GJM-KG型(卡箍安裝形式)音叉式濃度計
- GJM-QFS氫氟酸專用濃度計
- GJM-YS鹽酸專用濃度計
- GJM-LS硫酸專用濃度計
- GJM-YS型鹽酸在線密度計
- GJM-KG型音叉式密度計(卡箍安裝形式)
- GJM-AS型氨水在線密度計
- GJM-XS硝酸專用濃度計
- GJM-NS型尿素濃度計
物聯網無線溫壓變送器
- Cat1無線溫度變送器
- loRa壓力變送器(高溫型)
- NB無線液位變送器
- NB無線溫度變送器
- NB無線壓力變送器
- 電解液無線變送器
- CAT1無線溫濕度變送器
- CAT1無線壓力變送器
- GNSS自動檢測站
- 無線雷達水位計
- 無線流量計
- 無線磁致伸縮液位計
- 無線浮球液位計
- 無線差壓變送器
- 無線溫壓變送器
- 油田專用壓力變送器
高精度壓力表
- 防爆數字壓力表
- 數字壓力控制器
- 計量級數字壓力表
- 精密數字壓力表
- 計量級精密壓力表
- 臺式數字壓力表
- 特殊精密壓力表
- 各類普通壓力表
- 智能數字壓力校驗儀
- 高精度大氣壓力計
- 氣密性測試儀
- 高精度壓力模塊
- 存儲型數字壓力表
流量儀表
- 智能一體式渦街流量計
- 溫壓補償一體化渦街流量計
- 插入式渦街流量計
- 智能氣體渦輪流量計
- MF4003/4008微小氣體流量流量計
- 智能一體式電磁流量計
- 羅茨流量計
- 圓齒輪流量計
- 智能氣體旋進旋渦流量計
- 一體式孔板流量計
- 液晶顯示金屬管轉子流量計
- 就地顯示金屬管轉子流量計
- MF5706/08/12氣體質量流量計
- 手持式超聲波流量計
- 固定外夾式超聲波流量計
- 智能液體渦輪流量計
- 插入式電磁流量計
- 分體式電磁流量計
壓力變送器
熱工校驗儀
- 全自動溫度檢定系統
- 便攜式全自動壓力檢定系統
- 全自動壓力檢定系統
- 高精度溫度顯示儀
- 干體式校驗爐
- 溫度檢定爐
- 恒溫水槽
- 恒溫油槽
- 便攜式熱電偶校驗儀
- 便攜式熱電阻校準儀
- 信號過程校驗儀
- 壓力表檢定附件產品

