
無線溫壓變送器
智能無線溫壓一體變送器綜合了溫度變送器和壓力變送器的雙層特點,既可以測溫度又可以測壓力,在此基礎上加入了物聯網NB.IoT無線遠傳模塊,實現現場儀表數據到云端的無線傳輸。 綜合精度:0.5%, 溫度量程:-50~400℃,壓力量程:-0.1~0~0.1-250Mpa
無線溫壓變送器概述:
智能無線溫壓一體變送器綜合了溫度變送器和壓力變送器的雙層特點,既可以測溫度又可以測壓力,在此基礎上加入了物聯網NB.IoT無線遠傳模塊,實現現場儀表數據到云端的無線傳輸。儀表按照設定間隔時間上報數據,客戶通過 Web 頁面實現遠程儀表配置和數據查閱,上傳下發數據均存進數據庫,便于后期查詢。通過互聯網 PC 或移動終端登錄相關網址即可獲取儀表數據,并實現對采集的數據統計、分析,形成報表和數據曲線,具有直觀、準確、高效的特點。基于 NB-IoT公網的廣泛覆蓋,可實現大區域范圍內的眾多監測點的實時監測,該系列產品廣泛應用于各種工業測溫系統中,如電力、冶金、化工、石化、造紙印染、釀造、煙草、航天基地等領域。
GJM-133G是一款GPRS傳輸的無線溫壓變送器,憑借中國移動成熟的GPRS網絡,將現場的溫度上傳到客戶指定的IP地址。用戶可以通過按鍵或者遠程設定參數。
GJM-133L是一款LORa傳輸的無線溫壓變送器,配合LORa網關使用,具有功耗低,傳輸距離遠(優于3km),信號穿透力強,自組網等優點,特別適合工業園區內的局域網需求。
GJM-133N是一款NB-IoT傳輸的無線溫壓變送器,采用NB-IoT技術,具有功耗低,傳輸效率高,資費低等優點。
NB-IoT新型物聯網絡概要
基于蜂窩的窄帶物聯網(Narrow Band Internet of Things, NB-IoT)成為萬物互聯網絡的一個重要分支。NB-IoT 構建于蜂窩網絡,只消耗大約 180KHz 的帶寬,可直接部署于 GSM網絡、UMTS 網絡或 LTE 網絡,以降低部署成本、實現平滑升級。
NB-IOT 聚焦于低功耗廣覆蓋(LPWA)物聯網(IoT)市場,是一種可在全球范圍內廣
泛應用的新興技術。具有覆蓋廣、連接多、速率低、成本低、功耗低、架構優等特點。NB-IOT
使用 License 頻段,可采取帶內、保護帶或獨立載波等三種部署方式,與現有網絡共存
產品特點
l NB-IoT 網絡適用地域廣;
l LCD 實時顯示;
l 天線形式可選擇:外置和一體,對于信號弱的地方可選擇外置天線
l 內置低功耗電路和9900mAh大容量鋰電池電池
l 電源反接保護;
l 閾值上、下限報警功能;
l 聯網自動校時,斷網自動重連;
l 按鍵操作,可現場配置儀表;
l Web 端查看和遠程配置儀表,支持手機短信查詢數據;
l 具有防震、防潮功能,適應野外環境。
l 可根據客戶需求定制不同過程連接接口
l 可OEM定制不同協議產品
l 低溫/高溫報警,即時上發報文
l 無線傳輸功能,定時上發報文
l 開關機功能,上發頻率可選,溫度采集頻率可選
l 遠程配置或按鍵設置報警點、上發頻率等(GPRS/NB-iot)
l 配備網關,可實現局域網內的高效監控(LORa)
l 數據配置,按鍵配置或者遠程配置
l 報警點設置 高低報警點全量程可設
l 冷端溫度自動補償,非線性校正電路
l 帶顯示、電池供電、精度高、抗干擾、免維護。
技術指標:
項目內容 | 參數 | 備注 |
測量介質 | 與316不銹鋼兼容的各種液體、氣體或蒸汽 | |
壓力類型 | 表壓、絕壓、真空 | |
壓力范圍 | -0.1~0~0.1-250Mpa | |
溫度范圍 | -50~400℃ | |
分度號 | PT1000 | |
壓力精度 | 0.5級、0.25級、0.1級(包含非線性、遲滯性、重復性在內的綜合誤差) | |
溫度精度 | 1.0級、0.5級(包含非線性、遲滯性、重復性在內的綜合誤差) | |
環境溫度 | -20~85℃ | |
儲存溫度 | -40~90℃ | |
相對濕度 | ≤95%(40℃) | |
過載壓力 | 當壓力小于150Mpa時取兩倍滿量程,當壓力大于150Mpa時取300Mpa值 | |
穩定性 | 典型:±0.1%FS/年 : ±0.2%FS/年 | |
振動影響 | 對于10g峰值,10HZ-1KHZ機械振動,輸出變化小于滿量程的0.1% | |
上升時間 | ≤5ms,可達90%FS | |
壓力溫補 | 溫度補償范圍0~70℃ | |
壓力溫漂 | ≤±0.05%FS/℃(溫度范圍-20~85℃,包括零點和量程的溫度影響) | |
熱響應時間 | ≤15S | |
輸出信號 | 4~20mA或0~5V | |
傳輸方式 | NB-IoT TCP/UDP/CoAP協議 | GPRS/4G/LoRa可定制 |
溫度附加誤差 | ≤±0.015%FS/℃ | |
供電電壓 | 9~36VDC、3.6V鋰電池 | |
防護等級 | IP65 | |
絕緣電阻 | 測試電壓為100VDC時,大于1000MΩ | |
介質接觸材料 | 316不銹鋼 | |
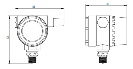
外殼材料 | 防爆鑄鋁殼體 | |
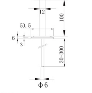
壓力連接 | 國標M20*1.5外螺紋 | 可定制G1/2,G1/4,1/4NPT等 |
探頭長度/管徑 | 可定制 | |
天線形式 | 外置一體式 | 內置、外置(對于信號弱的地方可選擇外置分體天線) |
殼體材質 | 鑄鋁防爆殼體 | 可定制不銹鋼外殼 |
殼體顏色 | 默認軍綠色通磨 | 1000臺以上顏色可定制 |
關于無線溫壓變送器低溫工作的解決方案:
1.傳感器問題:低溫可以使用應變傳感器,因為應變傳感器里面沒有液體屬于干式的傳感器,工作溫度-40~100℃,可以在東北使用。
2.電池問題:電池ER26500可以在-40℃下使用,但放電電流小,需加復合電容,溫度低后的電池液活性降低,電量變少,可以增加一個ER26500并聯使用。
3.電路問題:我們現用的單片機均支持-40℃-85℃度環節下使用,運放等原件均采用全溫段配件,可以在-40℃環境下正常使用,電阻均采用低溫飄電阻,保證在低溫下的精度
4.液晶問題:低溫液晶可以在-40℃使用,選用特制低溫液晶可以正常工作
關于信號強弱的分析:
NB-IOT溫度壓力表的信號強度卻決于基站位置,和NB-iot天線電路的配置,我廠的電路和天線均經過配對,保證了最好的信號強度。
功耗計算:
NB-IOT 發射功耗平均為150毫安 發射時間平均為2秒
待機狀態下功耗為20μA
采集壓力一次為:20毫安 時間為1毫秒
壓力采集功耗+待機功耗+發射功耗=整機功耗
根據合理安排設定采集時間,發送時間,可大大增大電池的使用壽命,提高使用年限。
報警閥值的處理:
A時上限報異常報警,上報后按正常速度采集壓力
B時上限報恢復數據
D時下限報異常報警,上報后按正常速度采集壓力
c時下限報恢復數據
技術優勢:
◎ 采用低功耗處理器
◎ 內嵌NB-IoT網通信模組
◎ 內嵌精密時鐘、自動校時,與 Internet 時間同步
◎ 高精度內部 AD 檢測溫度變化,內置溫度補償程序,對溫度變化不敏感。
◎ 專用上位機軟件設置參數
◎ 內嵌看門狗,不死機
◎ 支持深度休眠,按鍵喚醒功能
◎ 支持數據存儲功能
◎ 鋰離子電池供電
◎ 具有數據存儲,數據補發功能
◎ 具有電池電量低短信報警功能
◎ 外殼防護等級:IP65
◎ 具有防反接、防浪涌、防震、防潮、防雨、防有害氣體功能。
◎ 精度高、抗干擾、免維護
外形尺寸圖:
壓力接口:
隔膜接口:(防腐高溫場合)
溫度接口:
螺紋連接

卡箍連接
地質監測儀表
活塞式壓力計/壓力源
- GM系列活塞式壓力計
- 臺式液體壓力源
- 臺式氣體壓力源
- 氣體活塞壓力計
- 活塞式壓力真空計
- YS改良型活塞壓力計
- 活塞式壓力計
- 電動微壓標準器
- 氣體減壓器校驗儀
- 氧氣表壓力表兩用校驗器
- 壓力表校驗器校驗儀
- 活塞壓力計數字顯示系統
- 空盒氣壓表檢定裝置
- 電動微壓源
- 全自動液體壓力源
- 管道試壓壓力天平
- 浮球壓力計
- 全自動活塞壓力計
- 便攜式液體壓力源
- 電動壓力源
液位儀表
- 80G超高溫雷達物位計
- 電廠專用四氟高頻雷達物位計
- 側裝磁翻板液位計
- 雷達水位計
- 26G油罐專用雷達液位計
- 26G強腐蝕雷達液位計
- 26G高頻雷達物位計
- 80G調頻雷達液位計
- 80G桿式射頻導納物位開關
- 液位顯示控制箱
- 投入式液位變送器
- 80G纜式射頻導納物位開關
- 桿式導波雷達
- 激光雷達料位計
- 連桿浮球液位計
- 靜壓式水準儀
- 河道浮子液位計
- 液位變送器
- 26G粉塵雷達物位計
- 26G高溫雷達物位計
密度計
- GJM-SHJ型石灰漿液在線密度計
- GJM-JJ型酒精在線密度計
- GJM-85管道密度計
- 差壓式密度計
- 分體式密度傳感器
- 濃度計
- 衛生型密度計
- 耐高溫音叉密度計
- 管道式音叉密度計
- 直管密度計
- 便捷式音叉密度計
- GJM-KG型(卡箍安裝形式)音叉式濃度計
- GJM-QFS氫氟酸專用濃度計
- GJM-YS鹽酸專用濃度計
- GJM-LS硫酸專用濃度計
- GJM-YS型鹽酸在線密度計
- GJM-KG型音叉式密度計(卡箍安裝形式)
- GJM-AS型氨水在線密度計
- GJM-XS硝酸專用濃度計
- GJM-NS型尿素濃度計
物聯網無線溫壓變送器
- Cat1無線溫度變送器
- loRa壓力變送器(高溫型)
- NB無線液位變送器
- NB無線溫度變送器
- NB無線壓力變送器
- 電解液無線變送器
- CAT1無線溫濕度變送器
- CAT1無線壓力變送器
- GNSS自動檢測站
- 無線雷達水位計
- 無線流量計
- 無線磁致伸縮液位計
- 無線浮球液位計
- 無線差壓變送器
- 無線溫壓變送器
- 油田專用壓力變送器
高精度壓力表
- 防爆數字壓力表
- 數字壓力控制器
- 計量級數字壓力表
- 精密數字壓力表
- 計量級精密壓力表
- 臺式數字壓力表
- 特殊精密壓力表
- 各類普通壓力表
- 智能數字壓力校驗儀
- 高精度大氣壓力計
- 氣密性測試儀
- 高精度壓力模塊
- 存儲型數字壓力表
流量儀表
- 智能一體式渦街流量計
- 溫壓補償一體化渦街流量計
- 插入式渦街流量計
- 智能氣體渦輪流量計
- MF4003/4008微小氣體流量流量計
- 智能一體式電磁流量計
- 羅茨流量計
- 圓齒輪流量計
- 智能氣體旋進旋渦流量計
- 一體式孔板流量計
- 液晶顯示金屬管轉子流量計
- 就地顯示金屬管轉子流量計
- MF5706/08/12氣體質量流量計
- 手持式超聲波流量計
- 固定外夾式超聲波流量計
- 智能液體渦輪流量計
- 插入式電磁流量計
- 分體式電磁流量計
壓力變送器
熱工校驗儀
- 全自動溫度檢定系統
- 便攜式全自動壓力檢定系統
- 全自動壓力檢定系統
- 高精度溫度顯示儀
- 干體式校驗爐
- 溫度檢定爐
- 恒溫水槽
- 恒溫油槽
- 便攜式熱電偶校驗儀
- 便攜式熱電阻校準儀
- 信號過程校驗儀
- 壓力表檢定附件產品

